Turite pasirinkti produktui variantus.
- 
                            
                                     products/shutit_badass_prisukamas_vyris_ci3700_ddtech_kamstelis.lt.jpg products/shutit_badass_prisukamas_vyris_ci3700_ddtech_kamstelis.lt.jpg
- 
                            
                                     products/shutit-badass-vyris-prisukamas-virinamas-ci3700-ddtech-kamstelis.lt.png products/shutit-badass-vyris-prisukamas-virinamas-ci3700-ddtech-kamstelis.lt.png
Produkto aprašymas
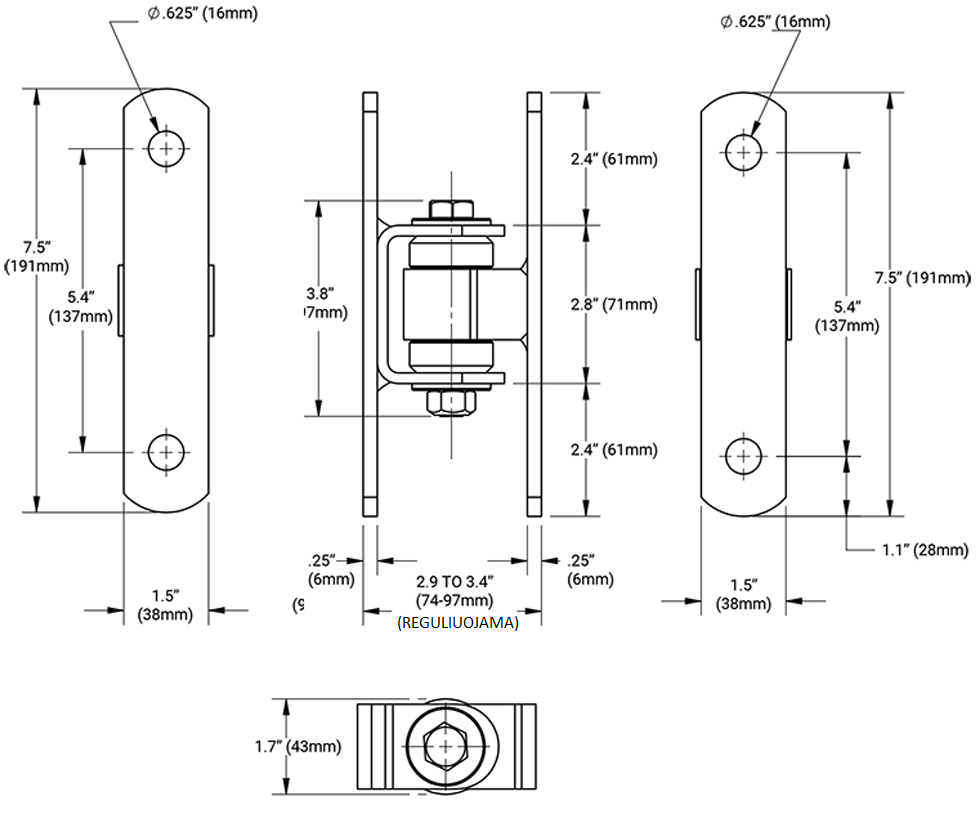
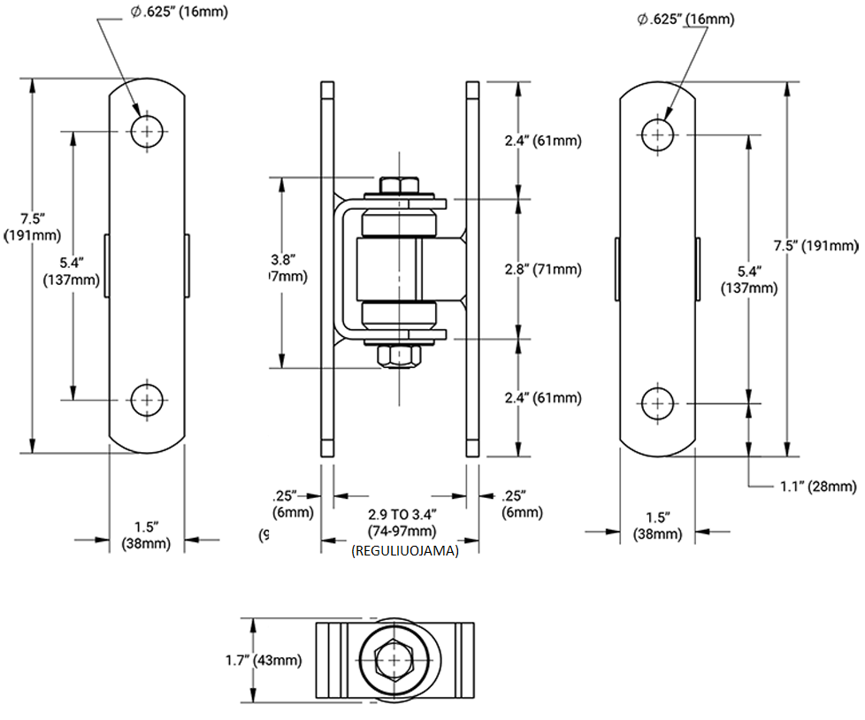
D&D Technologies SHUT IT® vyriai testuoti daugiau nei vienam milijonui ciklų, o mažiausios tolerancijos tekintos detalės praktiškai panaikina trintį.
- Sustiprinta ašis (varžtas), bei inovatyvaus dizaino trinčiai, vibracijoms ir aukštoms temperatūroms atspari veržlė su fiksatoriumi
- Tvirtinimo kronšteinai su skylėmis varžtams
 
- Vartų įrengimui, kur suvirinimas yra negalimas
- Atraminio stulpo kronšteinas turi horizontalų reguliavimą
- Du hermetiški aukštatemperatūriniai guoliai
 
- Galima dažyti milteliniu būdu
- Nereikalauja jokios priežiūros ar tepimo
- Didžiausia leistina apkrova vyrių komplektui- 900kg
- Didžiausias leistinas vartų svoris su dviem vyriais - 450kg
- Atstumas tarp atraminio stulpo ir varčios nuo 74mm iki 86mm
- Kaina už 1 vienetą.
Medžiaga- cinkuotas plienas.
Surinkta- D&D Technologies (JAV).
Prašome su mumis susisiekti jei nerandate reikiamo produkto.
Rekomenduojame kartu
- 
            Intarpas/tarpinė segmentinės tvoros apkabai 10 reviewsĮprasta kaina €0,08
- 
    -41%        Apkaba segmentinei tvorai, galinė 13 reviewsAkcijos kaina Nuo €0,84Įprasta kaina €1,43
- 
    -38%        Varžto su veržle ir poveržle komplektas segmentinių tvorų apkaboms 7 reviewsAkcijos kaina Nuo €0,13Įprasta kaina €0,21
- 
                                  "U" formos universalus laikiklis segmentinei tvorai 6 reviewsĮprasta kaina Nuo €0,41
- 
    -24%          Apkaba segmentinei tvorai, vidurinė 5 reviewsAkcijos kaina Nuo €0,87Įprasta kaina €1,14
- 
    -10%          Metalinis įtempimo vielos laikiklis 7 reviewsAkcijos kaina Nuo €0,19Įprasta kaina €0,21
 
 
             
             
                                    
                                 
                                    
                                 
         
 
                         
                         
                        
                            
 
                        
                        
                            
                                
 
                        
                            
 
                        
                        
                            
                                
 
                        
                            
 
                        
                        
                            
                                
 
                        
                            
 
                        
                        
                            
                                
 
                            
                                
 
                            
                                
 
                            
                                
 
                            
                                
 
                            
                                
 
                            
                                
 
                            
                                
 
                            
                                
 
                            
                                
 
                            
                                
 
                            
                        
                     
                        
                            
 
                        
                        
                            
                                
 
                            
                        
                     
                        
                            
 
                        
                        
                            
                                
